back

Product


BADU Professional

สินค้าที่คุณเลือก: -

1
รายละเอียดสินค้า

ปั๊มแบบล่อน้ำเองได้ ซึ่งเป็นปั๊มอเนกประสงค์สำหรับสระว่ายน้ำและบ่อปลา ด้วยการออกแบบที่ล้ำสมัยทำให้การเปลี่ยนปั๊มเป็นเรื่องง่ายและประหยัดเวลา อีกทั้งยังทำงานได้อย่างราบรื่น และผลิตจากวัสดุที่สึกหรอน้อย

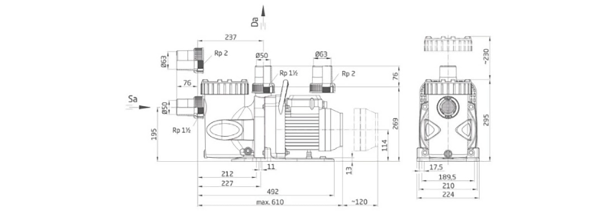
แบบทางวิศวกรรม
รายละเอียดทางเทคนิค
ประสิทธิภาพการทำงานของระบบหรืออุปกรณ์